CALL US

+86-18114924976

WORK TIME

Mon-Fri : 7:00am - 8:00pm

EMAIl US

You are here: Home » Products » 2mA/2mA Voltage Transformer » 2mA/2mA PCB mounting Voltage Transformer 1000:1000 used for UPS

Product Category

loading

Share to:
sharethis sharing button

2mA/2mA PCB mounting Voltage Transformer 1000:1000 used for UPS

Application and Features
1 .For applications that require a limited internal space of devices
2. Applications would include voltage,power,and energy monitoring devices
3. Current measurement, precision power meter
4. Low cost, PCB mounting pattern and flying wires Pattern
5. Operating frequency: 50-400HZ
Availability:

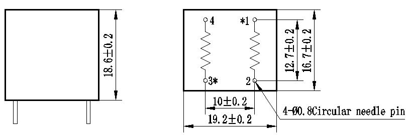
Structural parameters

图片1


 Remarks: primary input: 12 pins  secondary output: 34pins;

                                                      Or

                primary input:: 34 pins  secondary output::12pins;

                                      “*” Same polarity                          

             Front view                                                                      Bottom view


The main technical parameters

Model

ZMPT101L

Rated input current

2mA

Rated output current

2mA

turns ratio

1000:1000

phase error

15(input 2mA, sampling resistor 25)

Phase Error Non-linearity

10′ (20%dot~100%dot)

operating range

0~1000V       0~8mA (sampling resistor 25)

Ratio Error Non-linearity

≤0.1% (20%dot~100%dot)

Permissible error

-0.3%≤ f ≤+0.1% (input 2mA, sampling resistor 25)

Isolation voltage

4000V

application

voltage and power measurement

Encapsulation

Epoxy

installation

PCB mounting (Pin Length>3mm)

Operating temperature

-40℃~+85

Material of the plastic casing

PBT


Direction for use

 图片2


                                                                  Figure Ⅰ                                                     FigureⅡ

1. The typical usage of the product is for the active output (FigureⅠ). Ris a limiting resistorR is a sampling resistor.

2. The product can be directly through the resistance sampling , easy to use ( FigureⅡ).

 


Previous: 
Next: 

ABOUT US

PRODUCTS LIST

CONTACT US

Tel: +86-25-52601870
Fax: +86-25-52633420
Mobile: +86-18114924976( WHATSAPP )
Skype: maria90728
Email: zm@zeming-e.com
Copyright © 2018 Qingxian Zeming Langxi Electronic Devices Co., Ltd.  All Rights Reserved.