CALL US

+86-18114924976

WORK TIME

Mon-Fri : 7:00am - 8:00pm

EMAIl US

You are here: Home » Products » DC Immune Current Transformer » 100A DC Immune Current Transformer with copper 2500:1 0.1class

Product Category

loading

Share to:
sharethis sharing button

100A DC Immune Current Transformer with copper 2500:1 0.1class

DC immune current transformer, Application and Features:
1. for electronic energy meters, single-phase and three-phase meters
2.The iron core is made of high quality ferrous amorphous alloy and nanocrystalline alloy material,
and the secondary wire is made of high strength electromagnetic enameled wire, fully epoxy resin seal, with high precision and good linearity.
3.The cases adopts imported flame retardant PBT material with good mechanical and electrical strength.
4.Small size, light weight, easy to install.
Availability:

product description

Item: 100A DC immune Current Transformer 

Model No.: ZMDCT13

1. Specification

Characteristics

Values

Operating frequency

50 Hz ~ 400 Hz

Operating temperature

-40 ~ 85

Relative humidity

95%

Rated primary current  Ip

5A

Maximum primary operating current Imax

100A

Testing current for DC component 100A/Root 2

3%

Rated second current

2mA

Transformation ratio

1:2500

User supplied burden resistor

10

Power frequency withstand voltage

3Kv/1min

Insulation resistance

>500MΩ/500Vdc

Accuracy class

0.1class

 

Accuracy class

With the percentage(%)of Ip

5%

20%

50%

100%

120%

Ratio Error (±%)

0.1

0.1

0.1

0.1

0.1

Phase Displacement(±ˊ)

15

15

15

15

15

2. Product photo

图片1

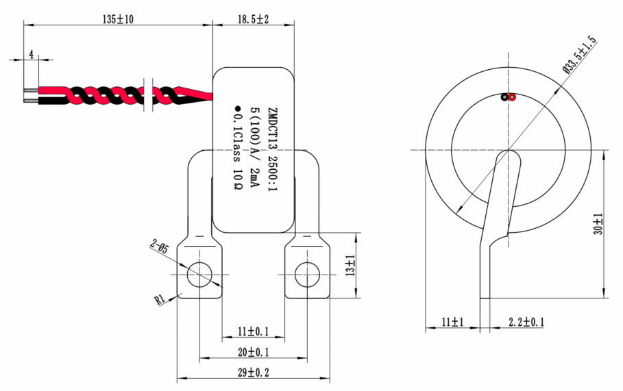
3.Dimension

图片2

4.Material List

No.

Material

Spec. model

UL

code

Manufacturer

1

Inner core

Nano-crystalline core

/

ZEMING

2

Outer core

Amorphous core

/

ZEMING

3

Core shell

PBT

E238981

QINGDAO QINKE ENGINEERING PLASTICS

4

Winding

2500T

E258243

ELEKTRISOLA HANGZHOU CO LTD

5

Pure copper

Φ5mm, Ni-Plated

/

NANPI RUNHAN ELECTRONIC CO LTD

6

Epoxy resin

TXH-9201-10 epoxy resin   insulating compound,Black

E196959

TIANJIN XINQIAO INSULATING MATERIAL CO

7

Leading wire

UL1007, 24AWG

Black&Red

E315651

ZHEJIANG CHENGBAO WIRE & CABLE

9

Heat-Shrinkable tube

Black

E203950

SHENZHEN WORE HEAT-SHRINKABLE    MATERIAL CO LTD

10

Tape

Flame retardant,

Environmental protection

E165111

JINGJIANG YAHUA PRESSURE SENSITIVE
GLUE CO LTD

 

 


Previous: 
Next: 

ABOUT US

PRODUCTS LIST

CONTACT US

Tel: +86-25-52601870
Fax: +86-25-52633420
Mobile: +86-18114924976( WHATSAPP )
Skype: maria90728
Email: zm@zeming-e.com
Copyright © 2018 Qingxian Zeming Langxi Electronic Devices Co., Ltd.  All Rights Reserved.