CALL US

+86-18114924976

WORK TIME

Mon-Fri : 7:00am - 8:00pm

EMAIl US

You are here: Home » Products » DC Immune Current Transformer » 120A current transformer with DC immunity with pins 2500:1 0.2class

Product Category

loading

Share to:
sharethis sharing button

120A current transformer with DC immunity with pins 2500:1 0.2class

DC immune current transformer , Application and Features:
1. for electronic energy meters, single-phase and three-phase meters
2.The iron core is made of high quality ferrous amorphous alloy and nanocrystalline alloy material,
and the secondary wire is made of high strength electromagnetic enameled wire, fully epoxy resin seal, with high precision and good linearity.
3.The cases adopts imported flame retardant PBT material with good mechanical and electrical strength.
4.Small size, light weight, easy to install.
Availability:

Product Description

Item: 120A DC immune Current Transformerwith pins 

ZEMING part No.: ZMDCT06-2

1. Specification

Characteristics

Values

Operating frequency

50 Hz ~ 400 Hz

Operating temperature

-40 ~ 85

Relative humidity

95%

Rated primary current  Ip

120A

Maximum primary operating current Imax

120A

Testing current for DC component 120A/Root 2

3%

Rated second current

48mA

Transformation ratio

1:2500

User supplied burden resistor

10

Accurate operating current range

3.33%Ip~Imax

Power frequency withstand voltage

3Kv/1min

Insulation resistance

>500MΩ/500Vdc

Interturn insulation

120A/1min

Accuracy class

0.2class

 

Accuracy class

With the percentage(%)of Ip

3.33

20

100

120

Ratio Error (±%)

0.2

0.2

0.2

0.2

Phase Displacement(±ˊ)

15

15

15

15

 

2. CIRCUIT SCHEMATIC:

图片1

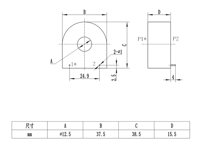
3. Dimension

图片2

 

Tolerance: ±0.2MM,  ROHS compliant

4.Material List:

No.

Material

Spec. model

UL code

Manufacturer

1

Inner core

Nano-crystalline  core

/

ZEMING

2

Outer core

Amorphous core

/

ZEMING

3

Core shell

PBT

E238981

QINGDAO QINKE ENGINEERING PLASTICS

4

Winding

 2500T

E258243

ELEKTRISOLA HANGZHOU CO LTD

5

Outside shell

Black

E238981

QINGDAO QINKE ENGINEERING PLASTICS

6

Epoxy resin

TXH-9201-10 epoxy resin insulating compound

E196959

TIANJIN XINQIAO INSULATING MATERIAL CO LTD

7

pins

Φ1.0

/

SHANGHAI JIATONG Electronic

8

Tape

Flame retardant,

Environmental protection

E165111

JINGJIANG YAHUA PRESSURE SENSITIVE
GLUE CO LTD

 



 


 


 


Previous: 
Next: 

ABOUT US

PRODUCTS LIST

CONTACT US

Tel: +86-25-52601870
Fax: +86-25-52633420
Mobile: +86-18114924976( WHATSAPP )
Skype: maria90728
Email: zm@zeming-e.com
Copyright © 2018 Qingxian Zeming Langxi Electronic Devices Co., Ltd.  All Rights Reserved.