CALL US

+86-18114924976

WORK TIME

Mon-Fri : 7:00am - 8:00pm

EMAIl US

You are here: Home » Products » Hall Current Sensor » ZMK64R16DAM Series Hall Current Sensor

Product Category

loading

Share to:
sharethis sharing button

ZMK64R16DAM Series Hall Current Sensor

Hall current sensor uses Hall effect principle to measure DC, AC, pulse and various irregular waveform currents under the condition that the original and secondary sides are completely isolated.

Feature:

●Hall effect measurement principle
●Meet UL94-V0 standard
Availability:

Product parameters


Electrical parameters

Rated current rmsIpn400A600A800A1000A1200A2000A
Measuring rangeIpm800A1200A1600A2000A2400A3000A
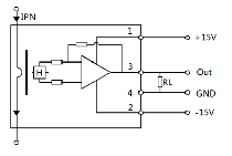
Rated output @IpVo4V
Load ResistanceRL>10KΩ
Supply VoltageUc±12V~±15V
Current consumptionIc≤15mA
Insulation voltageVd6kVAC/50Hz/1min
Dynamic parameter
Precision(@Ipn,Ta=25℃)XG<±1.0%
Linearity(@Ta=25℃)Er<±1.0%FS
Zero offset voltage (@Ta=25℃,Ip=0)VOE<±20mV
Magnetic offset voltage(Ipn->0)VOH<±20mV
Zero temperature driftTCVOE<±1.0mV/℃
Response timeTr<7us
Accurately  followeddi/dt>100A/us
Frequency bandwidth(@-3dB)BWDC~20kHz
General parameters
Ambient operating temperature   Ta-40~+85℃
Ambient storage temperatureTs-55~+125℃
Weightm200g
Case material
PBT G30/G15 UL94-V0
Executive standard
EN50178:1998

IEC60950-1:2001

SJ20790-2000


Advantage

●Easy to install

●Low power consumption

●Wide measuring range

●High precision and good linearity

●Lower temperature drift

●Strong anti-interference ability

●Strong overload capability

Application

●AC frequency conversion speed control device

●DC motor driven static converter

●UPS uninterruptible power supply

●SMPS  Switched   Mode  Power Supplies

●Electric welder machine

●Grid monitoring

●Industrial grade

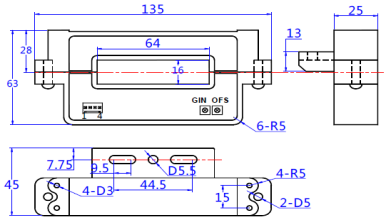
Structure & Instructions

90V(UDM(44(6C6EDW(GGYH0H7NXQGR5_2XY9SEBH@%`N}0


1. The direction of the current should be the same as the direction of the arrow of the casing;

2、Please refer to the wiring definition on the physical shell, the wrong wiring willDamaged module;

3、In order to obtain better dynamic characteristics and sensitivity, it is recommended to use a single turn wire and the wire fills the module through the wire hole best;

4、The primary side wire temperature should not exceed 100 °C;

5、 The above parameters are standard specifications, and the products can be customized according to customer needs.

Previous: 
Next: 

ABOUT US

PRODUCTS LIST

CONTACT US

Tel: +86-25-52601870
Fax: +86-25-52633420
Mobile: +86-18114924976( WHATSAPP )
Skype: maria90728
Email: zm@zeming-e.com
Copyright © 2018 Qingxian Zeming Langxi Electronic Devices Co., Ltd.  All Rights Reserved.