CALL US

+86-18114924976

WORK TIME

Mon-Fri : 7:00am - 8:00pm

EMAIl US

You are here: Home » Products » Hall Current Sensor » ZMKD21-61PBS Series Hall Current Sensor

Product Category

loading

Share to:
sharethis sharing button

ZMKD21-61PBS Series Hall Current Sensor

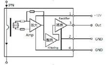
Hall current sensor uses Hall effect principle to measure DC, AC, pulse and various irregular waveform currents under the condition that the original and secondary sides are completely isolated.

Feature:

●Hall effect measurement principle
●Meet UL94-V0 standard
  • ZMKD21-61PBS

  • Zeming

  • 8504500000

  • ZMKD16SCP.pdf

Availability:

Product parameters


Electrical   parameters

Rated current rmsIpn50A100A200A300A400A600A
Measuring rangeIpm100A200A400A600A800A1200A
Rated output @IpVo(5*Ip/Ipn)V
    @Ip=0
0V
Load ResistanceRL>10KΩ
Supply VoltageUc+12V
Current consumptionIc≤25mA
Insulation voltageVd2.5kVAC/50Hz/1min
Dynamic parameter
Precision(@Ipn,Ta=25℃)XG<±1.0%
Linearity(@Ta=25℃)Er<±1.0%FS
Zero   offset voltage(@Ta=25℃,Ip=0)VOE<+40mV
Magnetic offset   voltage(Ipn->0)VOH<+20mV
Zero temperature driftTCVOE<±1.0mV/℃
Response timeTr<20ms
Frequency bandwidth(@-3dB)BWDC~1kHz
General parameters
Ambient operating   temperature  Ta-40~+85℃
Ambient   storage temperatureTs-55~+125℃
Weightm70g
Case material
PBT G30/G15 UL94-V0
Executive standard
EN50178:1998

IEC60950-1:2001

SJ20790-2000


Advantage

●Easy to install

●Low power consumption

●Wide measuring range

●High precision and good linearity

●Lower temperature drift

●Strong anti-interference ability

●Strong overload capability

Application

●Power plant

●metallurgical automation

●Intelligent buildings

●Communication base station

●Substation

Structure & Instructions

YBXFL[4A}1JBUZD]%@VQ8U}G]QHCQLW[SACI{RWVH8N2L


1. The direction of the current should be the same as the direction of the arrow of the casing;

2、Please refer to the wiring definition on the physical shell, the wrong wiring willDamaged module;

3、In order to obtain better dynamic characteristics and sensitivity, it is recommended to use a single turn wire and the wire fills the module through the wire hole best;

4、The primary side wire temperature should not exceed 100 °C;

5、 The above parameters are standard specifications, and the products can be customized according to customer needs.

Previous: 
Next: 

ABOUT US

PRODUCTS LIST

CONTACT US

Tel: +86-25-52601870
Fax: +86-25-52633420
Mobile: +86-18114924976( WHATSAPP )
Skype: maria90728
Email: zm@zeming-e.com
Copyright © 2018 Qingxian Zeming Langxi Electronic Devices Co., Ltd.  All Rights Reserved.