ZMPT101B
ZEMING
8504311000
| Availability: | |
|---|---|
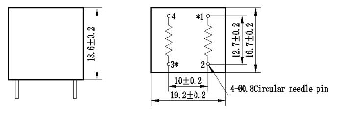
Structure parameters
ZMPT101B
Current-type Voltage Transformer
Small size,high accuracy,good consistency,forvoltage and power measurement
Structural parameters:
Remarks: primary input: 1、2 pins secondary output: 3、4pins
Or
primary input:: 3、4 pins secondary output::1、2pins
“*” Same polarity
Main technical parameters
Model | ZMPT101B |
Rated input current | 2mA |
Rated output current | 2mA |
turns ratio | 1000:1000 |
phase angle error | ≤20'(input 2mA,sampling resistor 100Ω) |
linear range | 0~1000V 0~10mA(sampling resistor 100Ω) |
linearity | ≤0.2%(20%dot~120%dot) |
Permissible error | -0.3%≤ f ≤+0.2%(input 2mA,sampling resistor 100Ω) |
isolation voltage | 4000V |
application | voltage and power measurement |
Encapsulation | Epoxy |
installation | PCB mounting(Pin Length>3mm) |
Operating temperature | -40℃~+60℃ |
Shell Material | ABS (Note: ABS Shell is not available for wave soldering) |
Direction for use

Figure Ⅰ FigureⅡ
1. The typical usage of the product is for the active output (FigureⅠ). R'is a limiting resistor,R is a sampling resistor.
2. The product can be directly through the resistance sampling , easy to use ( FigureⅡ).