CALL US

+86-18114924976

WORK TIME

Mon-Fri : 7:00am - 8:00pm

EMAIl US

You are here: Home » Products » 2mA/2mA Voltage Transformer » 2mA/2mA Voltage Transformer

Product Category

loading

Share to:
sharethis sharing button

2mA/2mA Voltage Transformer

ZMPT101C miniature voltage transformer is designed for applications where AC voltage signals must be transformed accurately into a lower voltage signal appropriate for micro-processor based circuits. ZMPT101C current-type voltage transformer is a kind of mA current transformer, which turn ratio between primary and secondary is similar to 1:1. a limiting resistor is nessary to be in it with primary winding.ZMPT101C is popular to a limited internal space of devices.
Availability:

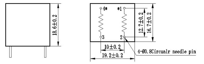
Structure parameters

ZMPT101C

Current-type Voltage Transformer

Small sizehigh accuracygood consistencyfor voltage and power measurement

 

Structural parameters

ZMPT101C

       Remarks:

 primary input: 12 pins  secondary output: 34pins

                                   Or

                            primary input:: 34 pins  secondary output::12pins

                                      


The main technical parameters

Model

ZMPT101C

Rated   input current

2mA

Rated   output current

2mA

turns ratio

1000:1000

phase angle error

≤20input   2mAsampling resistor 100Ω

linear range

0~1000V       0~10mAsampling   resistor 100Ω

linearity

≤0.2%(20%dot~120%dot)

Permissible error

-0.3%≤   f ≤+0.2%input   2mAsampling   resistor 100Ω

isolation voltage

4000V

application

voltage and power   measurement

Encapsulation

Epoxy

installation

PCB mountingPin Length>3mm

Operating   temperature

-40℃~+60℃

CASE Material

ABS (Note: ABS Shell is not available for wave soldering)


Direction for use

ZMPT101C-

                                                        Figure Ⅰ                                                     FigureⅡ

 

1. The typical usage of the product is for the active output (FigureⅠ). Ris a limiting resistorR is a sampling resistor.

2. The product can be directly through the resistance sampling , easy to use ( FigureⅡ).

Previous: 
Next: 

ABOUT US

PRODUCTS LIST

CONTACT US

Tel: +86-25-52601870
Fax: +86-25-52633420
Mobile: +86-18114924976( WHATSAPP )
Skype: maria90728
Email: zm@zeming-e.com
Copyright © 2018 Qingxian Zeming Langxi Electronic Devices Co., Ltd.  All Rights Reserved.