CALL US

+86-18114924976

WORK TIME

Mon-Fri : 7:00am - 8:00pm

EMAIl US

You are here: Home » Products » Split Core Current Transformer » φ24mm Split core current transformer 400A 3000:1

Product Category

loading

Share to:
sharethis sharing button

φ24mm Split core current transformer 400A 3000:1

Split core current transformer Application and Features
1. Measurement and protection for instruments
2. General measurement and protection in power systems for highly mobility or space-constrained or uninterrupted power systems.
3. With the split core structure, easy to install, remove, and operate without disconnecting the measured primary conductor.
4. beautiful appearance, small size and light weight .
Availability:

Product Description

Item: Split Core Current Transformer

Description: φ24mm, 400A, 10Ω, 3000:1

Part No.: ZEMCTK08-1

1.Specification

Characteristics

Values

Primary current Ip

200A

Maximum primary operating current Imax

400A

Secondary current

66.67mA

Sampling resistor Rb

10Ω

Operating frequency

50/60Hz

Operating temperature

-40℃-85℃

Relative humidity

≤95%

Turn ratio

1:3000

Accurate operating current range

5%Ip~Imax

Accurate class

0.5

Power-frequency Withstand voltage  

3kV/1min

Insulation resistance

≥500MΩ/500VDC

Interturn Insulation

200A/1min

 

 

Accuracy Class

With the percentage(%) of Ip

5

20

100

120

Ratio Error(±%)

1.5

0.75

0.5

0.5

Phase Displacement(±)

120

90

90

90

 

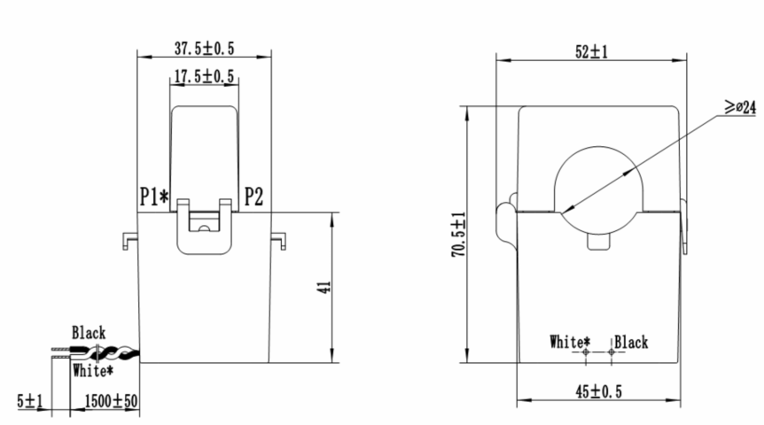
2.Dimension


图片1

图片2

 

3.Material List

NO.

Material

Spec, model

UL code

SGS

1

Silicon steel core

/

——

yes

2

Core box

PBT

E332375

yes

3

Tape

Flame retardant,

Environmental protection

E165111

yes

4

Enameled wire

 3000turns

E258243

yes

5

Outer covering

Environmental protection

E238981

yes

6

Leading wires

Black, white, 22AVR

E315651

yes

 


 


Previous: 
Next: 

ABOUT US

PRODUCTS LIST

CONTACT US

Tel: +86-25-52601870
Fax: +86-25-52633420
Mobile: +86-18114924976( WHATSAPP )
Skype: maria90728
Email: zm@zeming-e.com
Copyright © 2018 Qingxian Zeming Langxi Electronic Devices Co., Ltd.  All Rights Reserved.