CALL US

+86-18114924976

WORK TIME

Mon-Fri : 7:00am - 8:00pm

EMAIl US

You are here: Home » Products » Split Core Current Transformer » φ30mm split residual current transformer 2000:1

Product Category

loading

Share to:
sharethis sharing button

φ30mm split residual current transformer 2000:1

Application and Features
1. Measurement and protection for leakage current
2. General measurement and protection in power systems for highly mobility or space-constrained or uninterrupted power systems.
3. With the split core structure, easy to install, remove, and operate without disconnecting the measured primary conductor.
4. beautiful appearance, small size and light weight .
Availability:

Main technical parameters

Item

Sign

Technical Parameters

Item

Sign

Technical Parameters

Working frequency

f

50Hz-60Hz

Line insulation

V

1000

Rated primary current

In

1A

Dielectric strength

500MΩ/500V/min

Rated secondary output

IO

0.5mA

Insulation voltage

3000VAc(r.m.s)(2mA/1min)

Rated load resistance

Ω

500

Linearity

f

<1.5%

Operating temperature

Ta

-12℃ ~ +75℃

Accuracy class

1class

Storage temperature

Ts

-20℃ ~ +75℃

Rated continuous thermal current

A

2




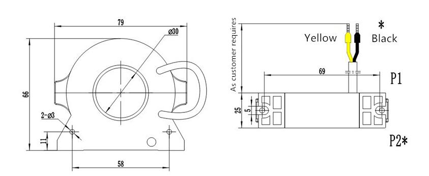
Definition of primary, secondary and polar end of transformer:

1.1 Definition of  transformer primary and secondary Transformer primary feedthrough input, secondary lead or terminal output.

1.2 Definition of primary and secondary leads with same polarityP1-S1Yellow P2-S2 Black

1.3 The electrical schematic diagram of the transformer is as follows:

图片1

Dimension

2

Previous: 
Next: 

ABOUT US

PRODUCTS LIST

CONTACT US

Tel: +86-25-52601870
Fax: +86-25-52633420
Mobile: +86-18114924976( WHATSAPP )
Skype: maria90728
Email: zm@zeming-e.com
Copyright © 2018 Qingxian Zeming Langxi Electronic Devices Co., Ltd.  All Rights Reserved.