CALL US

+86-18114924976

WORK TIME

Mon-Fri : 7:00am - 8:00pm

EMAIl US

You are here: Home » Products » Mini Precision Current Transformer » PCB Mounting Type » φ7.5mm PCB mounting current transformer 1000:1

Product Category

loading

Share to:
sharethis sharing button

φ7.5mm PCB mounting current transformer 1000:1

Application and Features
1. Applications would include current , power,and energy monitoring devices
2. current measurement
3. precision power meter
4. Low cost, small size, high accuracy, PCB mounting pattern
5. fully ROHS compliant , CE approved
Availability:

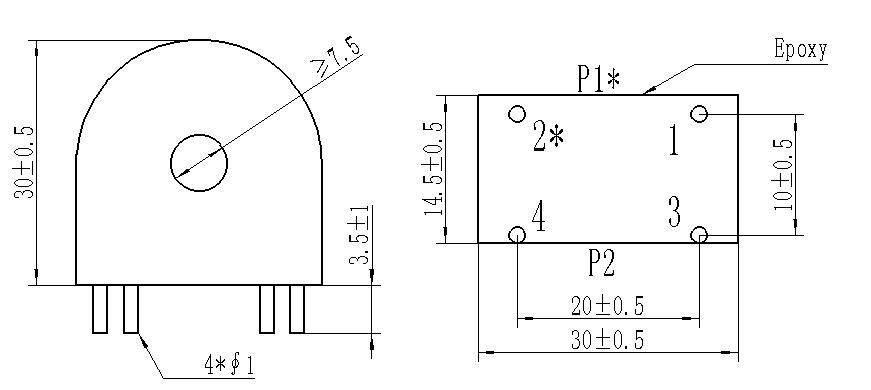
Structural parameters

图片1


“*”means “same polarity”

 

                                        Front view                                                             Bottom view


The main technical parameters

Model

ZMCT146D-1

input current

0~100Asampling resistor 10Ω

Rated output current

10mA at input 10A

turns ratio

1000:1

phase angle error

20'(Sampling resistor 1

linear range

0~100Asampling resistor 10Ω

linearity

0.2%5%dot~120%dot of 10A

Permissible error

-0.2% ≤ f ≤+0.2%input 5A, sampling resistor 10Ω

isolation voltage

3000V

application

Measurement or protection

Encapsulation

Epoxy

   Outer casing material

Flame retardant PBT

operating temperature

-40℃~+80


Direction for use

图片2


                                          Figure Ⅰ                                                       FigureⅡ

 

 

1.Typical usage is shown in Figure 1 and Figure 2. R is a sampling resistor.

2. Empty pin can not be grounded.


Previous: 
Next: 

ABOUT US

PRODUCTS LIST

CONTACT US

Tel: +86-25-52601870
Fax: +86-25-52633420
Mobile: +86-18114924976( WHATSAPP )
Skype: maria90728
Email: zm@zeming-e.com
Copyright © 2018 Qingxian Zeming Langxi Electronic Devices Co., Ltd.  All Rights Reserved.