ZMCT124D
ZEMING
8504311000
| Availability: | |
|---|---|
Structural parameter
ZMCT124D current transformer
Small size,high accuracy,good consistency,For electric power measurement and protection
Structural parameter:

Front view Bottom view
The main technical parameters
Model | ZMCT124D |
input current | 0~80A(50Ω) |
Secondary current | 12mA at input 60A, 6mA at input 30A |
turns ratio | 5000:1 |
phase angle error | ≤10'(50Ω) |
linearity | 0.1% |
Accuracy class | 0.2 |
isolation voltage | 3000V |
application | electric power measurement and protection |
Encapsulation | Epoxy |
installation | PCB Mounting |
operating temperature | -40℃~+70℃ |
Direction for use
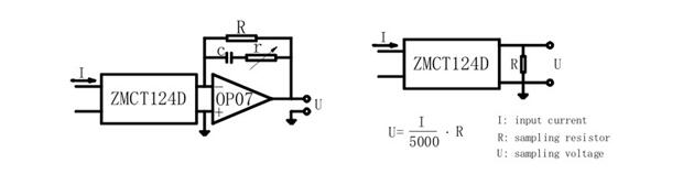
Figure Ⅰ FigureⅡ
1、Typical usage is shown in Figure 1 and Figure 2. R is a sampling resistor, c and r is used for phase compensation
2、 Empty pin can not be grounded.
3、 The instructions are for reference only; specific parameter is subject to specifications (acknowledgment).