CALL US

+86-18114924976

WORK TIME

Mon-Fri : 7:00am - 8:00pm

EMAIl US

You are here: Home » Products » Mini Precision Current Transformer » PCB Mounting Type » φ9.5mm PCB mounting current transformer 3pins 1000:1

Product Category

loading

Share to:
sharethis sharing button

φ9.5mm PCB mounting current transformer 3pins 1000:1

Application and Features
1. Applications would include current , power,and energy monitoring devices
2. current measurement
3. precision power meter
4. Low cost, small size, high accuracy, PCB mounting pattern
5. fully ROHS compliant , CE approved
Availability:

Applications

Applications:

1. Sensing Overload Current

2. Ground Fault Detection

3. Metering

4. Analog to Digital Circuits


FEATURES:

1. Competitive pricing due to high volume production         

2. Integral PCB for ease of installation                  

3. Manufactured in an ISO9001:2008, ISO14001:2004

4. Fully ROHS&REACH Compliant   


Electrical Specifications at 20℃ ambient

Parameter

ZMCT354B

Operating frequency

50/60HZ

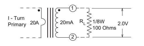
 primary   current

             20A   (50A max.)

Turns ratio

1000:1

Rated burden resistance

100Ω

Operating temperature

-40℃ to +85℃

Storage temperature

-55℃ to +130℃

Dielectric withstand voltage

4000V

Accuracy Class

2.0

Approx.Weight

16g





MECHANICAL DIMENSIONS

Primary current(A)

5A

20A

40A

Secondary output voltage for 100 ohm load (V)

0.5

2.0

4.0

ZMCT354B

 

  

 1. Dimension unit: mm, Dimension tolerance: ±0.25mm(unless specificed, Pin pitch tolerance: ±0.1mm

2. Pin 3 for menchanical support only. 





CIRCUIT SCHEMATIC

ZMCT354B-

Previous: 
Next: 

ABOUT US

PRODUCTS LIST

CONTACT US

Tel: +86-25-52601870
Fax: +86-25-52633420
Mobile: +86-18114924976( WHATSAPP )
Skype: maria90728
Email: zm@zeming-e.com
Copyright © 2018 Qingxian Zeming Langxi Electronic Devices Co., Ltd.  All Rights Reserved.