ZMCT134D
ZEMING
8504311000
| Availability: | |
|---|---|
production description
ZMCT134D Current Transformer
Small size, high accuracy, good consistency, for current and power measurement
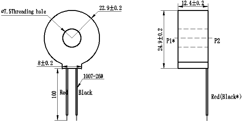
Structural parameters:

Front view Left View
The main technical parameters:
Model | ZMCT134D |
input current | 0~30A(sampling resistor 50Ω) |
Rated output current | 5mA at input 5A |
Turns ratio | 1000:1 |
phase angle error | ≤20'(input 5A,sampling resistor 50Ω) |
Accuracy class | 0.3 class |
linearity | ≤0.2%(5% dot~120% dot of 5A) |
Permissible error | -0.3%≤f≤+0.3%(input 5A, sampling resistor 50Ω) |
Isolation voltage | 4500V |
Application | Current and power measurement |
Encapsulation | Epoxy |
installation | Output leads installation (conventional lead length shown in drawing) |
operating temperature | -40℃~+85℃ |
Direction for use:

Figure 1 Figure 2
1. ZMCT134D used for measurement. Typical usage is shown in Figure 1 and Figure 2. R is a sampling resistor