ZMCT350B
ZEMING
8504311000
| Availability: | |
|---|---|
Product Description
ZMCT350B Current Transformer
Small size, high accuracy,good consistency,for current measurement
Structural parameters:

Note:
Dimension Unit: mm
Dimension Tolerance ±0.3mm (Unless Specified)
“*” means”same polarity”
Front view Left view
The main technical parameters:
Model | ZMCT350B |
input current | 0~10A(sampling resistor 100Ω) |
Rated output current | 10mA input 10A |
turns ratio | 1000:1 |
phase angle error | ≤60'(input 10A,sampling resistor 100Ω) |
Accuracy class | 0.5 |
linearity | 0.5%(20%dot~120%dot of 5A) |
Ratio error | -0.5%≤f≤+0.5%(input 10A,sampling resistor 100Ω) |
isolation voltage | 3000V |
application | measurement |
Encapsulation | Epoxy |
installation | Output leads installation |
operating temperature | -40℃~+85℃ |
Instructions:

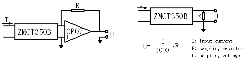
Figure Ⅰ FigureⅡ
1. ZMCT350B used for the measurement, the typical usage is shown in Figure Ⅰand Figure Ⅱ. R is a sampling resistor.