ZMCT102W
ZEMING
8504311000
| Availability: | |
|---|---|
Product Description
ZMCT102W Current Transformer
Small size,high accuracy,good consistency, for the precise measurement of current and power
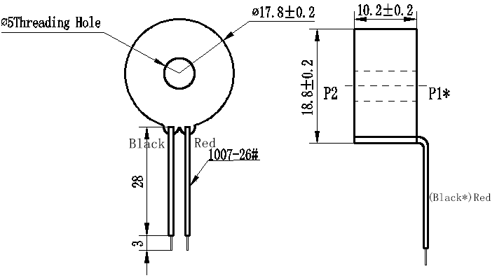
Structural parameters:

Front view Left View
The main technical parameters:
Model | ZMCT102W |
input current | 0~20A (sampling resistor 100Ω) |
Rated output current | 2.5mA at input 5A |
turns ratio | 2000:1 |
phase angle error | |
Accuracy class | 0.2 |
linearity | ≤0.2% (5%dot~120%dot) |
Permissible error | -0.2%≤f≤+0.2% (input 1A, sampling resistor 100Ω) |
isolation voltage | 4500V |
application | the precise measurement of current and power |
Encapsulation | Epoxy |
installation | Output leads installation (conventional lead length shown in drawing) |
operating temperature | -40℃~+85℃ |
Direction for use:

Figure Ⅰ FigureⅡ
1. The typical usage of the product is for the active output ( FigureⅠ) . R is a sampling resistor.
2. The product can be directly through the resistance sampling, easy to use (FigureⅡ).