ZMCT103U
ZEMING
8504311000
| Availability: | |
|---|---|
Product Description
ZMCT103U current transformer
Small size, high accuracy, good consistency, for the precise measurement of current and power
Structural parameter:

Front view bottom view
The main technical parameter:
Model | ZMCT103U |
primary current | 0~10A(sampling resistor 50Ω) |
secondary current | 5mA at input 5A |
turns ratio | 1000:1 |
phase angle error | |
Accuracy class | 0.5 |
linearity | ≤0.2%(5%dot~120%dot of 5A) |
Permissible error | -0.5%≤f≤+0.5%(input 5A, sampling resistor 50Ω) |
isolation voltage | 4500V |
application | precise measurement of current and power |
Encapsulation | Epoxy |
installation | punching |
operating temperature | -40℃~+85℃ |
Direction for use:

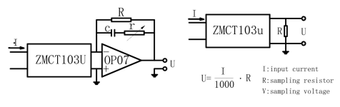
Figure Ⅰ FigureⅡ
1. The typical usage of the product is for the active output (FigureⅠ). R is a sampling resistor, c and r is used for phase compensation.
2. The product can be directly through the resistance sampling, easy to use (FigureⅡ).
3. The instructions are for reference only, specific parameter is subject to s