ZMCT102W-1
ZEMING
8504311000
| Availability: | |
|---|---|
Product Description
ZMCT102W-1 Current Transformer
Small size, high accuracy, good consistency, for the precise measurement of current and power
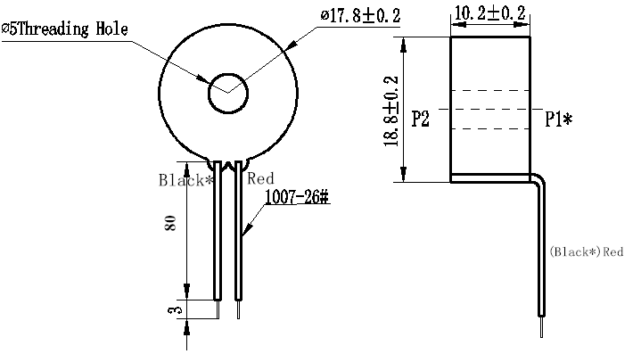
Structural parameters:

“*”→same polarity
Front view Left View
The main technical parameters:
Model | ZMCT102W-1 |
input current | 0-10A(10Ω) |
Rated output current | 2.5mA at input 5A |
turns ratio | 2000:1 |
phase angle error | 5%dot ~120% dot of 5A, Phase difference value between the two points ≤10'(sampling resistor 10Ω) |
linear range | 0~10A(sampling resistor 10Ω) |
linearity | 0.05%(5%dot~120%dot of 5A) |
Permissible error | -0.05%≤f≤+0.05%(input 5A, sampling resistor 10Ω) |
application | 4500V |
isolation voltage | High precision measurement of current and power |
Encapsulation | Epoxy |
installation | Flying wires type |
operating temperature | -40℃~+85℃ |
Direction for use:

Figure Ⅰ FigureⅡ
1. The typical usage of the product is for the active output ( FigureⅠ) . R is a sampling resistor.
2. The product can be directly through the resistance sampling, easy to use (FigureⅡ).