CALL US

+86-18114924976

WORK TIME

Mon-Fri : 7:00am - 8:00pm

EMAIl US

You are here: Home » Products » Mini Precision Current Transformer » PCB Mounting Type » φ6.8mm PCB current transformer 2500:1 70A

Product Category

loading

Share to:
sharethis sharing button

φ6.8mm PCB current transformer 2500:1 70A

AC PCB mounting current transformer 50/60HZ
MINI Precision PCB mounting current transformers . Application and Features
1. Applications would include current , power,and energy monitoring devices
2. current measurement
3. precision power meter
4. Low cost, small size, high accuracy, PCB mounting pattern
5. fully ROHS compliant , CE approved
Availability:

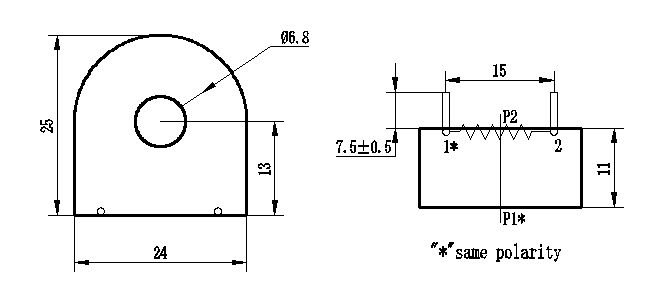
Structural parameters

ZMCT116W Current Transformer

 

Small sizehigh accuracygood consistencyfor current and power measurement

 

Structural parameters:

图片1

 


Unit:mm

 

Tolerance: ±0.2mm

 


Front view

      Bottom view


The main technical parameters


Model


ZMCT116W






 input current


0~70Asampling resistor 100Ω






Rated output current


2mA at input 5A






turns ratio


2500:1






phase angle error


20'(input 1Asampling resistor 100Ω






current range


0~70Asampling resistor 100Ω






linearity


0.1%5%dot ~ 120%dot






Permissible error


-0.2%f+0.2%input 1Asampling resistor 100Ω






isolation voltage


4500V






application


current and power measurement






Encapsulation


Epoxy






installation


PCB mountingPin Length>3mm






operating temperature


-40~+85






 


Direction for use

ZMCT116W-

                                                                   Figure Ⅰ                                    FigureⅡ

1. ZMCT116W used for measurement. Typical usage is shown in Figure 1 and Figure 2. R is a sampling resistor.

2. Empty pin can not be grounded.


Previous: 
Next: 

ABOUT US

PRODUCTS LIST

CONTACT US

Tel: +86-25-52601870
Fax: +86-25-52633420
Mobile: +86-18114924976( WHATSAPP )
Skype: maria90728
Email: zm@zeming-e.com
Copyright © 2018 Qingxian Zeming Langxi Electronic Devices Co., Ltd.  All Rights Reserved.