ZEMCT131A
ZEMING
8504311000
| Availability: | |
|---|---|
Structural parameter
Small size, high accuracy, good consistency,Applied to the power frequency 50(60)Hz multifunction meter
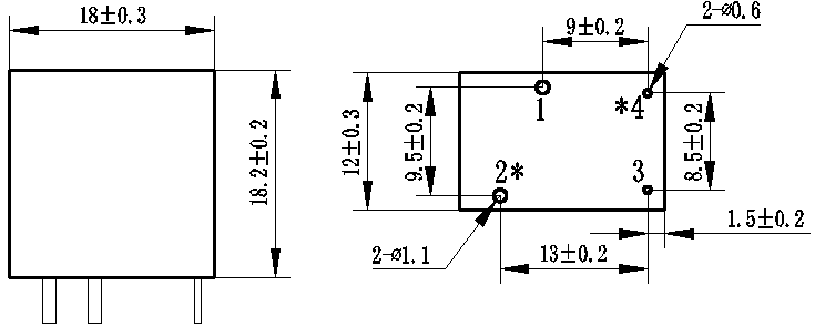
Structural parameter:

Input: 1、2pins,output : 3、4pins
Same plority (*)
Front view Bottom view
Main technical parameters
Model | ZEMCT131A |
input current | 0-20A(100Ω) |
Rated output current | 2.5mA at input 5A |
Turns ratio | 2000:1 |
Phase angle error | 5%dot ~120% dot,Phase difference value between the two points ≤10'(sampling resistor 100Ω) |
Continuous Current range | 0~6A |
Linearity | 0.1%(5%dot ~120% dot) |
Permissible error | -0.1%≤f≤+0.1%(Input 1A,sampling resistor 100Ω) |
Isolation voltage | 3000V |
application | High precision measurement of current and power |
Installation | PCB mounting(Pin length>3mm) |
encapsulation | Epoxy |
Operating temperature | -40℃~+85℃ |
Instructions for use
Figure Ⅰ FigureⅡ
1. The typical usage of the product is for the active output ( Figure Ⅰ) . R is a sampling resistor.
2. The product can be directly through the resistance sampling , easy to use ( FigureⅡ).