CALL US

+86-18114924976

WORK TIME

Mon-Fri : 7:00am - 8:00pm

EMAIl US

You are here: Home » Products » Mini Precision Current Transformer » PCB Mounting Type » Φ5mm Mini PCB Mounting Current Transformer 1000:1 10A

Product Category

loading

Share to:
sharethis sharing button

Φ5mm Mini PCB Mounting Current Transformer 1000:1 10A

AC PCB mounting current transformer 50/60HZ
MINI Precision PCB mounting current transformers. Application and Features
1. Applications would include current , power,and energy monitoring devices
2. current measurement
3. precision power meter
4. Low cost, small size, high accuracy, PCB mounting pattern
5. fully ROHS compliant , CE approved
Availability:

Structural parameters

ZMCT103C  Current Transformer

Small sizehigh accuracygood consistencyfor current and power measurement


The main technical parameters

model

ZMCT103C

 input current

0-10A(50Ω)

Rated output current

5mA at input 5A

turns ratio

1000:1

phase angle error

15            

 (input 5Asampling resistor 50Ω

Accuracy class

0.2

linearity

0.2%5%dot~120%dot of 5A

Permissible error

-0.2%≤f+0.2%    

 (input 5Asampling resistor50Ω

isolation voltage

4500V

application

Precise measurement of current and power

Encapsulation

Epoxy

installation

PCB mounting(Pin Length>3mm

Direction for use

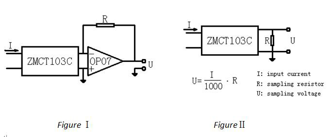
1. The typical usage of the product is for the active output (Figure Ⅰ). R is a sampling resistor

2. The product can be directly through the resistance sampling, easy to use (FigureⅡ).



Previous: 
Next: 

ABOUT US

PRODUCTS LIST

CONTACT US

Tel: +86-25-52601870
Fax: +86-25-52633420
Mobile: +86-18114924976( WHATSAPP )
Skype: maria90728
Email: zm@zeming-e.com
Copyright © 2018 Qingxian Zeming Langxi Electronic Devices Co., Ltd.  All Rights Reserved.