ZMCT162
ZEMING
8504311000
| Availability: | |
|---|---|
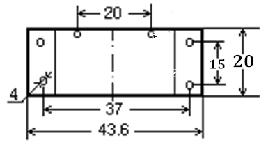
Structural parameters
ZMCT162 Current Transformer
Small size, high accuracy, good consistency, for current and power measurement
Structural parameters:

Front view Bottom view
The main technical parameters
Model | ZMCT162 |
Rated input current | 250A |
Rated output current | 125mA |
turns ratio | 2000:1 |
phase angle error | ≤30'(input 10A,sampling resistor 10Ω) |
Current range | 0~250A(sampling resistor 10Ω) |
linearity | ≤0.1%(5%dot~120%dot) |
Permissible error | -0.2% ≤ f ≤+0.2%(input 10A,sampling resistor 10Ω) |
isolation voltage | 4500V |
application | current and power measurement |
Encapsulation | Epoxy |
installation | Screw mounting |
operating temperature | -40℃~+85℃ |
Direction for use
Figure Ⅰ FigureⅡ
1. ZMCT162 used for measurement. Typical usage is shown in Figure 1 and Figure 2. R is a sampling resistor.