CALL US

+86-18114924976

WORK TIME

Mon-Fri : 7:00am - 8:00pm

EMAIl US

You are here: Home » Products » Mini Precision Current Transformer » PCB Mounting Type » φ4mm PCB mounting current transformer 1000:1

Product Category

loading

Share to:
sharethis sharing button

φ4mm PCB mounting current transformer 1000:1

ZEMCT133 Current transformer
Small size, high accuracy, good consistency, For current and power measurement
Application and Features
1. Applications would include current , power,and energy monitoring devices
2. current measurement
3. precision power meter
4. Low cost, small size, high accuracy, PCB mounting pattern
5. fully ROHS compliant , CE approved
Availability:

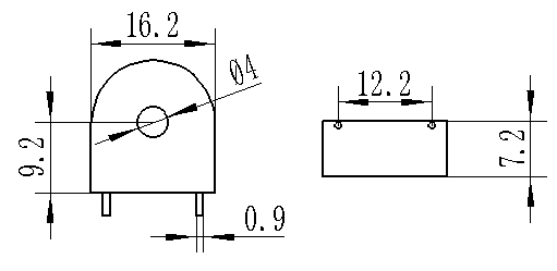
Structural parameter

ZEMCT133 Current transformer

Small size, high accuracy, good consistency, For current and power measurement

 

Structural parameter:

         图片1

                                  Front view                                  Bottom view

 

Tolerance: ±0.2mm, Pin Length : 4~5mm


The main technical parameters

Model

ZEMCT133

Rated input current

5A

Rated output current

5mA

Turns ratio

1000:1

Phase angle error

≤30’input 5A, sampling resistor 50Ω

linear range

0~7Asampling resistor 50Ω, room temperature 25℃

linearity

≤0.5%5%dot~120%dot

Permissible error

-0.5%≤f≤+0.5% input 5A, sampling resistor 50Ω

Isolation voltage

4500V

Application

Current and power measurement

Encapsulation

Epoxy

Installation

PCB Mounting

Operating temperature

-40~+85℃


Direction for use

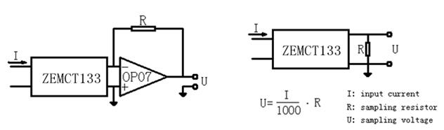
ZEMCT133-

                                                                             Figure I                           Figure II

1. The typical use of the product for the active output (Figure 1). R is the sampling resistor

2. The product can be directly through the resistance sampling, easy to use (Figure 2).

3. The instructions are for reference only, the specific parameters should be subject to the approval specification. 


Previous: 
Next: 

ABOUT US

PRODUCTS LIST

CONTACT US

Tel: +86-25-52601870
Fax: +86-25-52633420
Mobile: +86-18114924976( WHATSAPP )
Skype: maria90728
Email: zm@zeming-e.com
Copyright © 2018 Qingxian Zeming Langxi Electronic Devices Co., Ltd.  All Rights Reserved.