CALL US

+86-18114924976

WORK TIME

Mon-Fri : 7:00am - 8:00pm

EMAIl US

You are here: Home » Products » Mini Precision Current Transformer » PCB Mounting Type » φ7.5mm PCB mounting current transformer 2000:1 40A

Product Category

loading

Share to:
sharethis sharing button

φ7.5mm PCB mounting current transformer 2000:1 40A

AC PCB mounting current transformer 50/60HZ
MINI Precision PCB mounting current transformers . Application and Features
1. Applications would include current , power,and energy monitoring devices
2. current measurement
3. precision power meter
4. Low cost, small size, high accuracy, PCB mounting pattern
5. fully ROHS compliant , CE approved
Availability:

Structural parameters

ZMCT118A  Current Transformer

Small sizehigh accuracygood consistencyfor current and power measurement

 

Structural parameters:

图片1

                                          12pin: secondary output34pin: empty pin

                                      Front view                                            Bottom view

 


The main technical parameters

model

ZMCT118A

input current

0~40Asampling resistor 50Ω

Rated output current

2.5mA at input 5A

turns ratio

2000:1

phase angle error

≤15input 5Asampling resistor 50Ω

linear range

0~40Asampling resistor 50Ω

linearity

≤0.1%(5%dot~120%dot)

Permissible error

-0.2%≤f≤+0.2%input 5Asampling resistor 50Ω

isolation voltage

4500V

application

Current and power measurement

Encapsulation

Epoxy

installation

PCB mountingPin length>3mm

operating temperature

-40℃~+85℃


Direction for use

ZMCT118A-

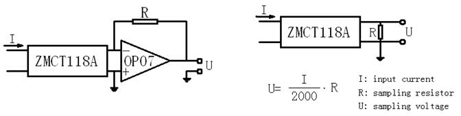
                                              Figure Ⅰ                                               FigureⅡ

1. ZMCT118A used for measurement. Typical usage is shown in Figure 1 and Figure 2. R is a sampling resistor.

2. Empty pin can not be grounded.


Previous: 
Next: 

ABOUT US

PRODUCTS LIST

CONTACT US

Tel: +86-25-52601870
Fax: +86-25-52633420
Mobile: +86-18114924976( WHATSAPP )
Skype: maria90728
Email: zm@zeming-e.com
Copyright © 2018 Qingxian Zeming Langxi Electronic Devices Co., Ltd.  All Rights Reserved.