CALL US

+86-18114924976

WORK TIME

Mon-Fri : 7:00am - 8:00pm

EMAIl US

You are here: Home » Products » Mini Precision Current Transformer » PCB Mounting Type » φ9.5mm PCB mounting Current transformer 2000:1 100A

Product Category

loading

Share to:
sharethis sharing button

φ9.5mm PCB mounting Current transformer 2000:1 100A

ZMCT123 current transformer
Small size, high accuracy, good consistency, for power measurement and protection
Application and Features
1. Applications would include current , power,and energy monitoring devices
2. current measurement
3. precision power meter
4. Low cost, small size, high accuracy, PCB mounting pattern
5. fully ROHS compliant , CE approved
Availability:

Structural parameter

ZMCT123 current transformer

Small size, high accuracy, good consistency, for power measurement and protection

 

Structural parameter:

图片1

                                    Front view                             Bottom view


The main technical parameter

Model      

ZMCT123

input current

0~100A (sampling resistor 20Ω)

Rated output current

2.5mA at input 5A

turns ratio

2000:1

phase angle error

≤60(input 10A, sampling resistor 20Ω)

linearity

≤0.2%(5%dot~120%dot)

Accuracy class

0.5

isolation voltage

4500V

application

measurement  or  protection

Encapsulation

Epoxy

installation

PCB mounting

operating temperature

-40℃~+85℃


Direction for use

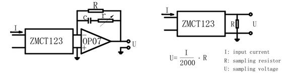
ZMCT123-

                                                            Figure Ⅰ                                  FigureⅡ

1. The typical usage of the product is for the active output (Figure Ⅰ). R is a sampling resistor, c and r is used for phase compensation

2. The product can be directly through the resistance sampling, easy to use (FigureⅡ)

3、 The instructions are for reference only, specific parameter is subject to specifications (acknowledgment)


Previous: 
Next: 

ABOUT US

PRODUCTS LIST

CONTACT US

Tel: +86-25-52601870
Fax: +86-25-52633420
Mobile: +86-18114924976( WHATSAPP )
Skype: maria90728
Email: zm@zeming-e.com
Copyright © 2018 Qingxian Zeming Langxi Electronic Devices Co., Ltd.  All Rights Reserved.